The theme for Nocturne's 18th annual Art-at-Night Festival is Ground, which inspired archivists to identify historical maps and photographs of the ground beneath us, of what was once grounded in particular places in downtown Halifax and Dartmouth. Look for these historical posters October 16th-19th, 2025 and learn about the maps and images below:
Halifax (north to south)

Plan of Provincial Exhibition Grounds, 1941 (HMA KK-7-8914) The Halifax Forum is the remaining vestige of the vast Exhibition Grounds built between Windsor, Almon, Young and Robie Streets in the 1880s. Agricultural and industrial displays were held here, and horses raced on the track. The large Exhibition Building was destroyed in the 1917 Halifax Explosion; Grounds were used as temporary housing for those displaced by the disaster. The Forum was built in 1927. See a 1930s image of a car-race on the former harness-racing track. The last Exhibition on this site was 1939. This plan was perhaps used by officials using the area as a military base during WWII. Read more fascinating history.

Plan of land acquired for Bloomfield School, ca. 1919 (HMA Z-7-4669)
Several school buildings were constructed on the Agricola/Robie/Almon block over the years. This plan shows the closing of part of Bloomfield Street to expand the school site. See a 1916 photo of Bloomfield High School, and a 1960s photo of an annex building. The Archives has several class photos including one of a 1929 Field Day with the entire school

Plan showing Property of Clayton & Sons Ltd. on Barrington, Jacob St. and Poplar Grove, by PLS, Roper, 1941 (HMA KK-5-9002) Another area cleared in the Central Redevelopment Area, see the former Trinity Episcopal Church and Gaiety Theatre. A 1966 photo when this building was Maritime Moving and Storage.

Argyle Street at Buckingham, looking NE, 1945 (HMA 102-16N-0016.27) A 1949 map of shows where Buckingham and its tram-line once crossed Argyle. This area was cleared to build Scotia Square and the Cogswell interchange portion of Harbour Drive. See historical photos and plans of this 1960s development.

Plan of Grand Parade by E.H. Keating, City Engineer, 1874 (HMA C-3-171) This early plan of Grand Parade shows the 1821 Dalhousie College building and the site reserved for Halifax's New City Hall, which opened in 1890. Read about construction of City Hall.
Architectural drawing of Grand Parade, City Engineer's Office, 1890 (HMA A-4-165).
See a postcard and photograph of the fountain that once graced Grand Parade in the Historical Tour of City Hall. The fountain was removed by 1929.

West elevation of Central Fire Station, Brunswick and George Streets, Pickings and Wilson Architects, 1934 (HMA A-3-8221)
One of 27 drawings in the set of proposed plans of what was then called the Central Fire Station. Built just below the Town Clock, this building was also known as the Brunswick Street Engine House. It was originally built 1870-71 then replaced in the 1930s. Read about the original building and see a photo of it . A new Halifax Fire Department headquarters built later on West Street was then known as the Central Fire Station.

Elevation to Argyle Street of New Candy Factory for Moirs Ltd., Pickings & Wilson Engineers, 1927 (HMA O-2-6148) One of 27 drawings. See a set of photos of the chocolate factory taken in 1975 prior to its demolition to make way for the World Trade and Convention Centre.

Engine House, City Engineer E.H. Keating, 1875 (HMA A-4-174)
This "Plan of City Property at head of Gerrish St." shows the location of Halifax's most recent fire station, opened in 1873. It was decommissioned in 1896 when the nearby West Street Station opened. Read more about the station's history.
In 2006 this end of Gerrish Street was renamed Buddy Daye Street to honour Nova Scotia's first Black sargeant-at-arms and champion boxer Delmore Buddy Daye. The construction of Uniacke Square in the 1960s had split Gerrish Street.

George Street tunnels, 197? (HMA 102-39B.1427.A-15)
Many tunnels are suspected to run beneath Halifax Peninsula's stony ground. The tunnel shown here was uncovered during construction of the Bank of Montreal tower. See all 50 Department of Engineering & Works photogaphs from that project.

Market Wharf, 1876 (HMA A-4-176.2) This plan shows how busy the Market and City wharves were with vessels stopping up the passage for boats to the City Slip at City Wharf. Later infilling encroached into the Harbour from where these wharves used to be accessed from Upper Water Street.

Fish Market, 1893 (A-4-176)
Getting fish from the Water Street market was an enduring Halifax tradition, especially on Fridays.

Details of New Iron Gates at Halifax Dock for Dartmouth Ferry Commission, ca. 1913 C.R. Thorne, Architect (HMA 101-81J-6.1)
See a photo of what the Dartmouth Ferry sign and building looked like in 1969 prior to demolition.

Front elevation, Queen Hotel, 1929, A.E. Priest, Architect (HMA GG-11-6991) This set of plans were made for alterations and additions to the renowned hotel that graced Hollis Street from 1849 until March 2, 1939 when it was destroyed by a devastating fire that killed 28 people. See some Fire Department photographs of the fire.

Plan of Brunswick St extension, 1904 (K-6-1568) Brunswick Street used to end at Sackville Street with the military's Royal Artillery Park. The City linked Brunswick through to the former Hastings Street to Spring Garden Road. Note too that Albemarle used to extend all the way to Blowers.

Plan of Governor's Grounds and Mansion on Pleasant, Hollis and Bishop Streets, 1915 (HMA Q-7-3220) Across Barrington Street from Government House (or Mansion with its Ice House and Larder) was the Governor's Grounds with its gardens and conservatory tucked in behind the County Court House and Jail.

Old Poor House Grounds, 1834 (HMA LL-2-9915) This early plan shows the concentration of services in the block where Spring Garden Road Memorial Library was later built in 1951: Halifax's Poor House with its garden and burying ground; the Bridewell jail and cemeteries for neighbouring St. Mary's chapel and Grafton Street Methodist Church. Halifax's Poor Asylum operated as a workhouse to care for the city’s unemployed and criminal, later expanding to care for anyone unable to care for themselves, from 1752 until it moved south to Robie and South Streets in 1869.
Note that the south end of Barrington Steet was called Pleasant Street, and that the historic area of Schmidtville is named on the plan.

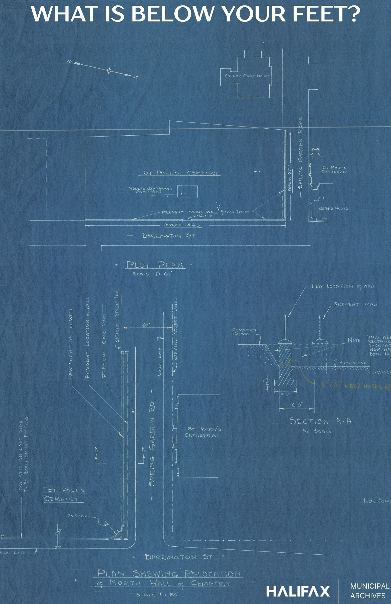
St. Paul's Cemetery and details of stone wall, 1947 (HMA NN-6-10941)
Generally known as the Old Burying Ground, Halifax's first public cemetery, was called St. Paul's Cemetery on many city maps, as it was administered by nearby St. Paul's Church. Read some history of this National Historic Site.

NS Light and Power Co. and adjacent properties, 1928 (HMA GG-10-7054) Nova Scotia Power has long been based at the foot of Morris Street. This plan shows the importance of that location for its neighbouring Dominion Coal Company supply for the thermal generating station, the gas storage tanks and the tram-car barns that kept Halifax's street railway running.

Plan of Freshwater Brook at the foot of Inglis Street, 192? (HMA CC-5-5832) Fuller's 1851 Plan shows Freshwater Brook flowing from the Halifax Common, through the Horticultural Gardens, joined by other streams before emptying into the Harbour here. The conversion to a sewer line is documented in this 1882 plan charting the course of the sewer alongside the Brook's natural course.

Arrows Ball Park, 1950 Benjamin Studios (101-94-8-05) The Dartmouth Arrows baseball team played at this city-owned park at the foot of Nantucket Avenue. In this photo the field and bleachers are being used for an ecumenical Thanksgiving Service during Dartmouth's Bicentennial celebrations. The photo came out of the Bicentenary Time Capsule; see what else was in the time capsule.

Mayfair Theatre, 141-145 Portland Street, 1967 (HMA 101-80C-2-8-N-65)
See a photo album of every building on Portland St. between Wentworth and Prince Albert from 1967.

Walker's Variety, 102 Portland Street, 1967 (HMA 101-80C-2-8-S-32)
See a photo album of every building on Portland St. between Wentworth and Prince Albert from 1967.

Plan of Dartmouth Ferry Commission's Property showing original subdivision, 1917 (HMA 101-81J-1.9) Also shows the old reading room, the old post office, wharves serving many businesses and who owned all that prime land in 1917. Compare with this 1960s aerial photograph of the same area.
Halifax Municipal Archives hope you enjoyed discovering some local history at Nocturne. If you have any questions, suggestions or want to request a high resolution copy of any of these images and maps, contact the Archives.